其它
商品名称:新品热风炉拱顶红外测温系统 红外测温仪
商品型号:HAD-H1D
商品型号:HAD-H1D
热风炉拱顶红外测温系统 红外测温仪 型号:HAD-H1D
热风炉拱顶是一种特殊的场合,拱顶温度的测量既要解决被测目标的高温、高压问题,又要适应一年四季露天环境变化的要求
一、红外测温系统的组成
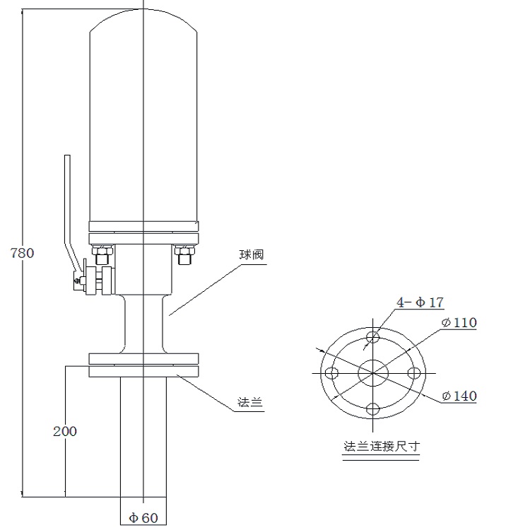
1.红外测温仪
2.红外探头
3.热风炉拱顶红外探头保护装置
4.红外测温仪控制器
红外测温系统各功能单元性能指标和外形尺寸
1.红外测温仪主要技术参数
⑴ 测温范围: 700~1600℃或600~1300℃
⑵ 测温精度: ≤±1%(量程上限)
⑶ 输出信号: Isc: 4~20 mA
(4) 工作电源:DC 24V±15%
⑸ 使用环境: 环温 0~70℃
相对温度 ≤85%
2.红外探头
⑴ 测温范围:700~1600℃
⑵ 测温精度:≤±0.5%(量程上限)
⑶ 距离系数:120:1
⑷ 输出信号:0~-5V
⑸ 工作环境:-5~80℃
⑹ 工作电源:±12 VDC
3.红外探头保护装置
⑴ 工作电压:15~21 VAC
⑵ 工作压力:0~6 Mp
⑶ 工作温度:-20~120℃
4.红外测温仪控制器(不锈钢外壳)
⑴ 工作电压:AC 220V±15%
⑵ 工作温度:0~60℃
⑶ 输出电压:21 VAC
产品订单
联系方式
北京亚欧德鹏科技有限公司
联系电话:010-51298264/51294858
手机:15313602957 18210605334
传真:010-57553286
联系人:曹经理
地址:北京市门头沟区双峪环岛东南角熙旺中心(东方巴黎时代广场)B座2137
网址: // www.5zao1.com/
QQ:2577341770 2235197632
alibaba旺旺:depeng201105
联系电话:010-51298264/51294858
手机:15313602957 18210605334
传真:010-57553286
联系人:曹经理
地址:北京市门头沟区双峪环岛东南角熙旺中心(东方巴黎时代广场)B座2137
网址: // www.5zao1.com/
QQ:2577341770 2235197632
alibaba旺旺:depeng201105
友情链接
|
|
|
|
|
|
|
|



